| Sign In | Join Free | My portofva.com |
|
Brand Name : VANFORGE
Certification : ISO9001, ISO10012, ISO14001, OHSAS18001, ABS, BV, DNV, Lloyd, NK, PED
Place of Origin : China
MOQ : 10 pcs
Payment Terms : L/C, T/T
Supply Ability : 3000 pcs per month
Delivery Time : 30 days
Packaging Details : Seaworthy package for export
Material : Austenitic stainless steels, duplex stainless steels
Process : Forged, machined
Treatment : Stress-relieved
Surface : Bright
Application : Petrochemical, chemical, paper and pulp
Feature : High precision
Standard : ANSI, ASTM, ASME, EN, DIN, JIS, GOST
Price : Negotiable
ASTM A182 3000LBS ASME B16.11 BS3799 forged pipe fitting stainless steel socket weld elbow 90 degree
Socket welding fittings according to ANSI/ASME
Vanforge holds a large type of stainless, forged, socket welding fittings in F304/304L and F316/316L (dual marked and certified). Huahon's socket welding fittings are according to ASTM A182, ASME B16.11. Socket weld unions are according to MSS SP-83.
Vanforge's ASME 3000 lbs forged, socket weld fittings are white pickled with hardness according to NACE MR0175, IC according to ASTM A262E and PMI tested.
Vanforge socket weld fittings are certified according to EN 10204/3.1.

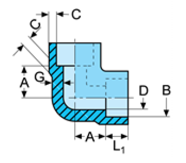
Socket weld elbow 90°
ASTM A182 3000 lbs ASME B16.11 / BS 3799
Product code example:
FSE-316L-1-3000
● = Available
| Nominal pipe size | B | L1 | C | G | D | A | Weight | ASTM | ASTM |
|---|---|---|---|---|---|---|---|---|---|
| in. | mm | socket | mm | mm | mm | mm | ~kg/pce | 304/304L | 316/316L |
| 1/4 3/8 1/2 3/4 | 14.20 17.60 21.80 27.20 | 9.53 9.53 9.53 12.50 | 3.30 3.51 4.09 4.27 | 3.02 3.20 3.73 3.91 | 8.86 12.14 15.42 20.55 | 11.11 13.49 15.88 19.05 | 0.09 0.13 0.25 0.32 | ● ● ● ● | ● ● ● ● |
| 1 1¼ 1½ 2 | 33.90 42.70 48.80 61.20 | 12.50 12.50 12.50 16.00 | 4.98 5.28 5.54 6.05 | 4.55 4.85 5.08 5.54 | 26.26 34.67 40.51 52.12 | 22.23 26.99 31.75 38.10 | 0.52 0.86 1.12 1.80 | ● ● ● ● | ● ● ● ● |
Production facilities:



|
|
Durable Forged Steel Pipe Fittings Socket Weld Elbow 90° Pressure Resistance Images |